Thư viện kết cấu gửi tới các bạn bài tính dầm bụng lỗ theo phụ lục K.1 tiêu chuẩn TCVN 5575:2024.

I. Phương pháp tính
1. Điều kiện áp dụng
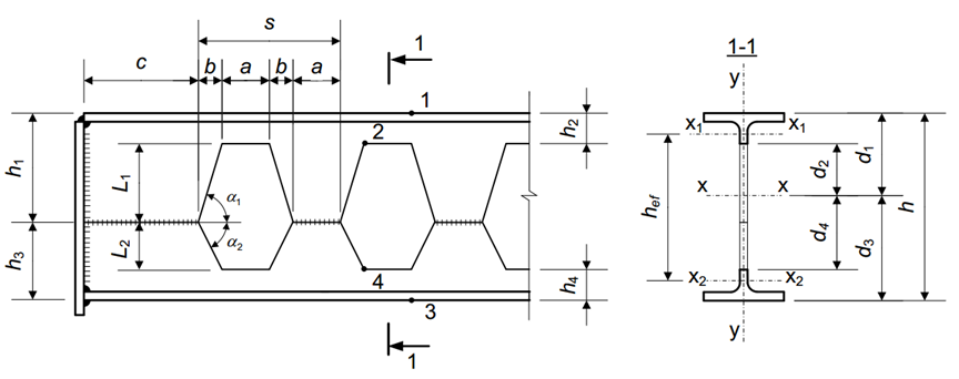
Dầm bụng lỗ (là dầm có bụng được khoét lỗ) được thiết kế bằng thép chữ I cán (với chiều cao tiết diện không nhỏ hơn 200 mm) làm bằng thép có giới hạn chảy đến 440 MPa.
Mức độ khai triển của thép cán (tỉ số chiều cao của dầm khai triển và chiều cao chữ I ban đầu) lấy không lớn hơn 1,5.
Liên kết hàn của bụng cần được thực hiện bằng đường hàn đối đầu thấu suốt chiều dày.
2. Tính toán độ bền
Tính toán độ bền của dầm chịu uốn trong mặt phẳng bụng được thực hiện theo các công thức:

trong đó:
M là mô men uốn trong tiết diện dầm;
tw là chiều dày bụng dầm;
V là lực cắt trong tiết diện dầm;
Vs là lực cắt trong tiết diện dầm tại khoảng cách (c + s – 0,5a) tính từ gối tựa
Wx là mô men chống uốn bản thân của dầm chữ I khai triển tại tiết diện có lỗ (tiết diện thực) đối với trục x–x
Wmax, Wmin là các mô men chống uốn lớn nhất và nhỏ nhất của tiết diện chữ T.
3. Tính toán khả năng chịu lực của dầm bụng lỗ
Tính toán khả năng chịu lực của dầm bụng lỗ theo các công thức sau:


trong đó:
M là mô men uốn trong tiết diện dầm;
V1, V2 là các lực cắt chịu bởi tiết diện chữ T trên và chữ T dưới;
N là lực dọc trong tiết diện dầm;
Ix là mô men quán tính của chữ I khai triển tại tiết diện dầm có lỗ (tiết diện thực) đối với trục x–x;
An là diện tích tiết diện chữ I khai triển tại tiết diện dầm có lỗ (tiết diện thực);
W1,min , W2,min là các mô men chống uốn nhỏ nhất của tiết diện chữ T trên và chữ T dưới tương ứng;
a là chiều rộng lanh tô của bụng dầm;
d2, d4 là các khoảng cách từ trọng tâm tiết diện đến điểm 2 và điểm 4 tương ứng.
d1, d3 là các khoảng cách từ trọng tâm tiết diện đến điểm 1 và điểm 3 tương ứng.
4. Tính toán ổn định của dầm
Tính toán ổn định tổng thể của dầm theo công thức:

trong đó:
φb là hệ số ổn định khi uốn,
Wcx là mô men chống uốn của tiết diện đối với trục x–x, tính cho thớ chịu nén nhiều nhất của bản cánh chịu nén;
II. File tính
Các bạn vui lòng tải file PDF mẫu “Tính dầm bụng lỗ” tại đây
File tính excel đầy đủ “91. Tính dầm bụng lỗ”, các bạn vui lòng tải tại đây:
